Doughty Lightweight Parallel Coupler 48mm - 51mm, Blank
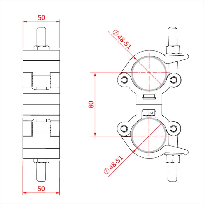
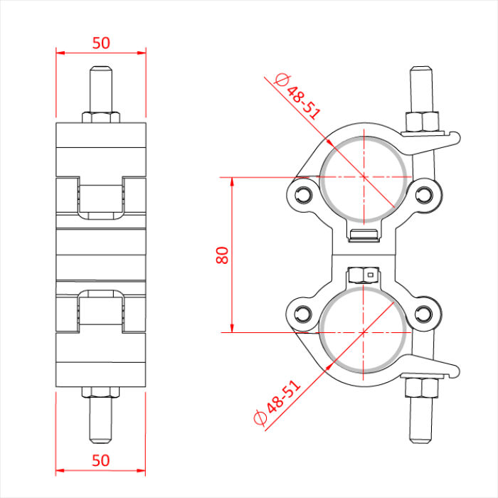
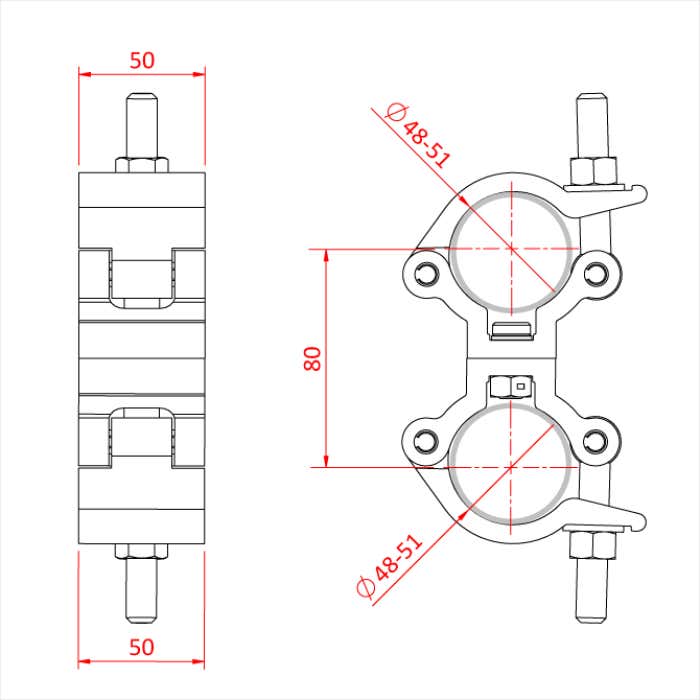
Lightweight Parallel Coupler Silver från Doughty är en fast koppling konstruerad för att skapa en stabil fixering mellan två parallella rör. Produkten är tillverkad av höghållfast extruderad aluminium och finns tillgänglig i både svart och polerat utförande.
Kopplingen är anpassad för rör med en diameter mellan 48 och 51 mm och har en profilbredd på 50 mm. Konstruktionen ger ett centrumavstånd (Tube Centres) på 84 mm, vilket innebär en mer kompakt montering jämfört med större standardkopplingar. Med en SWL (Safe Working Load) på 500 kg erbjuder den en säker och robust lösning för riggning, samtidigt som egenvikten hålls nere på 0,76 kg.
- Fast parallell koppling för 48–51 mm rör
- SWL: 500 kg
- Centrumavstånd: 84 mm
- Bredd: 50 mm
- Material: Höghållfast extruderad aluminium
- Vikt: 0,76 kg
- Färg: Silver







































































